Характеристики
Масса, кг не более
—
2,8
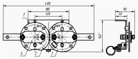
Габаритные размеры ДхШхВ, мм
—
400х140х90
Транспортный габарит ДхШхВ, мм
—
400х140х90
В корзину
Купить в 1 клик
Наличие уточняйте у наших менеджеров
Описание
Привода к разъединителю РЛНД, ПРНЗ-10УХЛ1
- П - привод к разъединителю;
- Р - ручной;
- Н - наружной установки;
- З- для разъединителя с ножом заземления;
- 10 - номинальное напряжение, кВ;
- У - климатическое исполнение ХЛ - остается работоспособным до -60;
- 1 - категория размещения;
