Характеристики
Серия подстанции
—
КТПС (столбовая)
Исполнение ввода ВН
—
воздушный
Исполнение ввода НН
—
кабельный/воздушный
Исполнение РУВН
—
тупиковая
Тип коммутационного аппарата на стороне ВН
—
РЛНД разъеденитель
Тип коммутационного аппарата на отх. линиях
—
автоматические выключатели
Все характеристики
от 99 810.90 ₽
110 901 ₽
-10%
Экономия 11 090.10 ₽
Нашли дешевле?
Наличие уточняйте у наших менеджеров
Цены
СТПо 1,25/10/0,23-У1 10кВ-ОЛ
99 810.90 ₽
/шт 110 901 ₽
-10%
Экономия
11 090.10 ₽
СТПо 1,25/10/0,23-У1 10кВ-ОМ
104 154.30 ₽
/шт 115 727 ₽
-10%
Экономия
11 572.70 ₽
СТПо 1,25/10/0,23-У1 6кВ-ОЛ
101 201.40 ₽
/шт 112 446 ₽
-10%
Экономия
11 244.60 ₽
СТПо 1,25/10/0,23-У1 6кВ-ОМ
107 121.60 ₽
/шт 119 024 ₽
-10%
Экономия
11 902.40 ₽
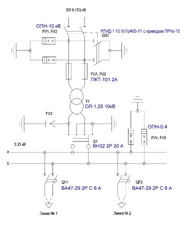
Комплект поставки:
1.Траверса ВН (без изоляторов *ШФ) - 1 шт. (на рисунке поз.1)
2. Рамка с предохранителями - 1 шт. (на рисунке поз.2)
3. Траверса НН под СИП- 1 шт. (на рисунке поз.3)
4. Узел крепления трансформатора - 1 комплект. (на рисунке поз.4)
5. Шкаф РУНН в сборе с креплением на опору - 1 шт. (на рисунке поз.5)
6. Разъединитель РЛНД 10/400 в комплекте с приводом ПРН3-10 - 1 комплект. ( на рисунке поз.6 )
7. Узел крепления разъеденителя РЛНД в комплекте с двумя валами РА-7 по 6м.- 1 шт.(без изоляторов *ШФ) ( на рисунке поз.7)
8. Узел крепления привода ПРНЗ-10 - 1 шт. ( на рисунке поз.8 )
9. Разрядник ОПН-10 - 3 шт. ( на рисунке поз.9 )
10. Патрон предохранителя ПКТ-10, с установленными изоляторами C4-80 в комплекте с контактными основами К1-01 - 2 комплекта.( на рисунке поз.11 )
11. Кабельная перемычка от трансформатора до шкафа РУНН (на рисунке не показан)
12.* Трансформатор (на рисунке поз.12) В случае установки трансформатора серии ОЛ, в комплект поставки ВХОДИТ переходная пластина
* Позиции не входят в базовый комплект и приобретаются отдельно.
1.Траверса ВН (без изоляторов *ШФ) - 1 шт. (на рисунке поз.1)
2. Рамка с предохранителями - 1 шт. (на рисунке поз.2)
3. Траверса НН под СИП- 1 шт. (на рисунке поз.3)
4. Узел крепления трансформатора - 1 комплект. (на рисунке поз.4)
5. Шкаф РУНН в сборе с креплением на опору - 1 шт. (на рисунке поз.5)
6. Разъединитель РЛНД 10/400 в комплекте с приводом ПРН3-10 - 1 комплект. ( на рисунке поз.6 )
7. Узел крепления разъеденителя РЛНД в комплекте с двумя валами РА-7 по 6м.- 1 шт.(без изоляторов *ШФ) ( на рисунке поз.7)
8. Узел крепления привода ПРНЗ-10 - 1 шт. ( на рисунке поз.8 )
9. Разрядник ОПН-10 - 3 шт. ( на рисунке поз.9 )
10. Патрон предохранителя ПКТ-10, с установленными изоляторами C4-80 в комплекте с контактными основами К1-01 - 2 комплекта.( на рисунке поз.11 )
11. Кабельная перемычка от трансформатора до шкафа РУНН (на рисунке не показан)
12.* Трансформатор (на рисунке поз.12) В случае установки трансформатора серии ОЛ, в комплект поставки ВХОДИТ переходная пластина
* Позиции не входят в базовый комплект и приобретаются отдельно.
Серия подстанции
КТПС (столбовая)
Исполнение ввода ВН
воздушный
Исполнение ввода НН
кабельный/воздушный
Исполнение РУВН
тупиковая
Тип коммутационного аппарата на стороне ВН
РЛНД разъеденитель
Тип коммутационного аппарата на отх. линиях
автоматические выключатели
Колличество отх. линий
2
Цвет металлокострукции
серый (RAL 7040)
Климатическое исполнение
У1
Масса, кг
185
Транспортный габарит ДхШхВ, мм
1200х1000х800
