Характеристики
Мощность трансформатора, кВА
—
1600
Схема соединения обмоток
—
У/Ун-0
U перв. обмотки, В
—
6000
U втор. обмотки, В
—
400
Количество фаз
—
3
Материал обмоток трансформатора
—
Al
Все характеристики
В корзину
Купить в 1 клик
Наличие уточняйте у наших менеджеров
Потери Х.Х., Вт - 3200
Потери К.З., Вт - 11300
Напряжение К.З. при 75°С, % - 6,0
Корректированный уровень звуковой мощности, дБА - 76
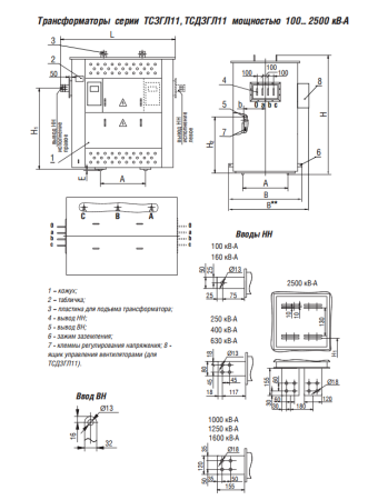
Размеры по чертежу:
L, мм=2320
B, мм=1220
H, мм=2305
A, мм=820
H1, мм=1720
H2, мм=1100
b, мм=400
f, мм=50
E, мм=30
Потери К.З., Вт - 11300
Напряжение К.З. при 75°С, % - 6,0
Корректированный уровень звуковой мощности, дБА - 76
Размеры по чертежу:
L, мм=2320
B, мм=1220
H, мм=2305
A, мм=820
H1, мм=1720
H2, мм=1100
b, мм=400
f, мм=50
E, мм=30
Документы
4c5f3918a3f4d8738676893637af0d18
98,1 кб
Мощность трансформатора, кВА
1600
Схема соединения обмоток
У/Ун-0
U перв. обмотки, В
6000
U втор. обмотки, В
400
Количество фаз
3
Материал обмоток трансформатора
Al
Габаритные размеры ДхШхВ, мм
2320х1220х2305
Масса, кг
4100
