Характеристики
Серия трансформатора
—
3НОЛ
U перв. обмотки, В
—
10000
U втор. обмотки, В
—
100/√3, 100
Рабочее напряжение, В
—
10000
Класс точности
—
0,5
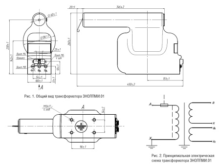
Габаритные размеры ДхШхВ, мм
—
450x136x260
Все характеристики
Наличие уточняйте у наших менеджеров
Документы
a56c953b07b06c87754d4374f921df5a
359,7 кб
Серия трансформатора
3НОЛ
U перв. обмотки, В
10000
U втор. обмотки, В
100/√3, 100
Рабочее напряжение, В
10000
Класс точности
0,5
Габаритные размеры ДхШхВ, мм
450x136x260
Масса, кг
18.6
