Характеристики
Серия трансформатора
—
3НОЛ
U перв. обмотки, В
—
13800
U втор. обмотки, В
—
100/√3, 100
Рабочее напряжение, В
—
13800
Класс точности
—
0,5
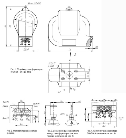
Габаритные размеры ДхШхВ, мм
—
328x175x298
Все характеристики
Наличие уточняйте у наших менеджеров
Документы
cbbd2bbd342d367b10808a35d435872a
130,6 кб
Серия трансформатора
3НОЛ
U перв. обмотки, В
13800
U втор. обмотки, В
100/√3, 100
Рабочее напряжение, В
13800
Класс точности
0,5
Габаритные размеры ДхШхВ, мм
328x175x298
Масса, кг
30
